服務熱線: 18606112277 734952815@qq.com
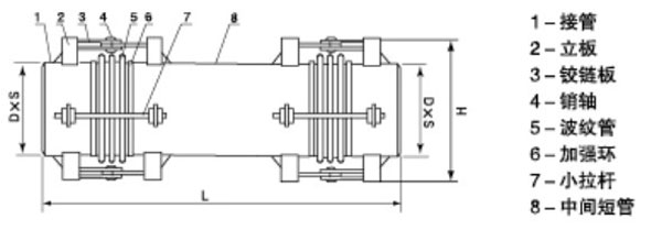
復式鉸鏈補償器結構圖 復式鉸鏈補償器參數表
復式鉸鏈補償器結構圖
復式鉸鏈補償器參數表
關于我們
產品中心
新聞資訊
服務熱線 18606112277 18061006668
版權所有: 江蘇晨光航天波紋管有限公司